|
ASK-200 Technical Details |
DIY Sensor conversion kit for manual taps
- Features
- Technical Info
- Typical installation
- Contents
- Dimension
- Temperature Control
- Remote Control
Features
Easy installation and implementation
Dual solenoid valves (hot and cold connections)
Solid-built design
Solenoid valve with high 'hot water' tolerance
Ultrasonic-sealed built-in transformer
LED light power indicator
Wall-mountable optional bracket
Works under low water pressure
IP65 Protection
Splash-proof inner-ridge rubber seals
Inner rubber seal for higher protection from elements
Independent battery compartment
Durable and light outer-shell material construction
Compatible with IRC/FRC Sensor Remote Control
Versatile Design - Future Ready
Affordable
Save water, save energy
Up to 70% water conservtion
Portable 'wall-mountable' infra red activation component
Flexibility- You can choose any manual tap of your choice and design
Compatible with most conventional taps
Chrome-plated finish infra red component housing
Sensing distance/range adjustable
Easy wall-mountable sensor ring
AC/DC Powered
Special Notes:Water pressure:
Water pressure range: 0.25 (Min) - 8 Bar (Max) (1 bar or above for best performance)
QUICK VISUAL DATA
![]() |
![]() |
![]() |
|
| This control box can be powered by both Mains (AC) and Batteries (DC) | This control box comes with double supply water feeds. |
N/A | The control box has a built-in transformer with UK plug |
TECHNICAL DETAILS
Sensor cable length: 176cm
Sensing distance: 10-27cm (Adjustable)
Hot water tolerance: 75° (approx.)
Respond time: 1 Second
Diameter of 'inlet' pipes - Control box: G1/2”
Diameter of 'outlet' pipes - Control box: G1/2"
Water pressure range: 0.50 (Min) - 7 Bar (Max)
Voltage: DC6V or AC220V-240V (6V Output)
Battery Consumption (DC): 4xAA alkaline batteries (2 years lifespan based on 100 cycles a day)
Power consumption: =0.3mW
Silent Consumption: 0.003mW
Environment Temperature: 1-45 C
Pipe Threading: British Standard Whitworth (BSW)
Tip:
Your choice of manual tap can be any manual tap with a double (hot and cold) supply.
Note:
This sensor kit is designed for taps only and it's not waterproof.
Warranty void if used for any other installation purposes/applications other than for taps.
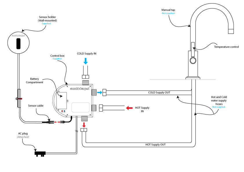
ASK-200: Typical Installation Layout & Sensor holder dimension
Converting a manual mixer tap with hot and cold supplies
Sensor Holder Dimension
SH-212

SH-213

SH-214

CONTENTS
1x Infrared Sensor (Wall/Deck-mounted sensor holder of your choice: SH-212, SH-213 or SH-214)
1x Control box
1x 3-pin AC UK cable
1x Built-in Transformer
1x Control box 'wall-mounting' clip
Screws and Manual
Sensor Holder Dimension
SH-212

SH-213

SH-214

Features

Water pressure:
Water pressure range: 0.7 (Min) - 8 Bar (Max) (1 bar or above for best performance)
Temperature control:
To control temperature, simply use the temperature control lever on tap.
Typical Layout

NOTE:
You may require longer connection pipes/flexible hoses to reach all connection points.
SR6 sensor Remote Control
At Autotaps, we recognise that sensor taps are installed in different environment and catered for different applications. So it’s paramount for end-users to be able to customize and change settings to suit their needs. Autotaps SR6-13 6-keys remote control (sold separately) allows end-users/engineers to adjust/customize various settings relating to a ‘compatible’ sensor tap from its default factory settings. This adds added convenience and usability to give better customer experience.
Note:
Remote control is not compulsory, any of our products works straight out of the box as standard.
IRC-6.13 |
FRC-6.13 |
Features Explained
![]() |
FLUSH/RUN Water: Flow Time Increase HOW TO: NOTE: |
![]() |
FLUSH/RUN Water: Flow Time Decrease HOW TO: NOTE: |
|
Increase Sensor Distance HOW TO: *Sensor distance range scope is around/between 7cm-35cm |
|
Decrease Sensor Distance HOW TO: *Sensor distance range scope is around/between 7cm-35cm |
|
Auto Search |
![]() |
Standby To disable, press once, LED light comes on and stays on for 2-3 seconds ‘twice’ and then goes off. Standby mode is now disabled. |
![]() |
|
|
![]() |
This button flushes the system by opening up the solenoid valve and allowing water to flow through. This operation last for or between 4-6 seconds, and it will automatically switch OFF afterwards. This option is particularly useful at hospitals/health centres where hygienic flush is regularly required. |













